Конспект лекции: Цифровой термометр на базе цифрового моста узкого диапазона
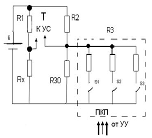
Структурная схема моста имеет вид:

Измеряемой величиной является Т - температура, которую воспринимает терморезистор R1, значение этого резистора:
R1=R10(1+αT)=R10+R10αT=R10+ΔR1
Уравнение баланса моста остается прежним, но G3 будет равна: G3=G30+GN, где G30 - проводимость некоммутируемого резистора, G - величина кванта ПКП, N - число, код которого управляет ключами.
Значение G30 выбирают из условия: G30=R10/(R2R4)
Тогда:
ΔR1=R2*R4*G*N
T=ΔR1/(αR10), где α - температурный коэффициент сопротивления.
T=(G*N)/(α*G30)=g*N, где g - квант цифрового моста.
Так как диапазон значений R1 начинается не от нуля, а от R10 и результат измерения Rx=приращениюΔR1, мост называют мостом узкого диапазона.
Внимание! Каждый электронный конспект лекций является интеллектуальной собственностью своего автора и опубликован на сайте исключительно в ознакомительных целях.
