Конспект лекции: Процентный мост на базе цифрового моста узкого диапазона измерения
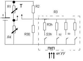
Структурная схема моста имеет вид:

Данный мост применяется для разбраковки резисторов. В данном случае измеряемой величиной является, выраженное в процентах отклонение сопротивления R1, контролируемого резистора, от его номинального значения R1номин, т.е. измеряемая величина X=±(&DeltaR1/R1номин)*100%.
Для учета значения отклонения в ПКП вводят дополнительный ключ и резистор R3н, проводимость которого определяется из условия G3н=G*Nmax, остальные резисторы те же, что и в предыдущей схеме и выполняют ту же роль.
1. Если x>0 ключ S3H замкнут, условие равновесия моста:
R1номин+ΔR1=R2*R4(G30+G3н+G*N)
Для получения N=0, при ΔR1=0 необходимо обеспечить:
R1Н=R2*R4(G30+G3Н)
Для выполнения этого равенства при разных R1номин в схеме в качестве резистора R4 используют магазин сопротивлений, на котором предварительно для данных R1номин устанавливаются требуемые значения R4. Следовательно:

2. Если при замкнутом ключе S3H уравновешивание моста не произошло, то это говорит о том, что x<0. Тогда ключ S3H размыкают и уравновешивание производится замыканием разрядных ключей. В этом случае условие равновесия будет:
R1Н-ΔR1=R2*R4(G30+G3Н).
Прибавив и отняв G3Н к сомножителям в скобках получим:
R1Н-ΔR1=R2*R4(G30+G3Н)- R2*R4( G3Н-G*N)
Из этого выражения и с учетом того, что G3Н=G*Nmax имеем:
x=g(Nmax-N), где числу (Nmax-N) соответствует обратный код числа N.
Таким образом при x>0, значение x выражается прямым кодом числа N, а при x<0 – обратным.
Внимание! Каждый электронный конспект лекций является интеллектуальной собственностью своего автора и опубликован на сайте исключительно в ознакомительных целях.
