Конспект лекции: Цифровые мосты широкого диапазона измерения
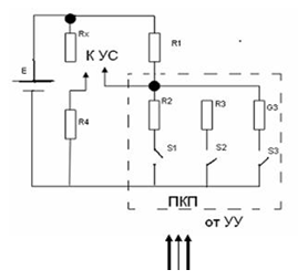
Структурная схема моста имеет вид:

Измеряемой величиной является сопротивление Rx.Название мост широкого диапазона обусловлено тем, что этот диапазон распространяется от нуля до какого-то максимального значения. Противоположное плечо представляет набор резисторов с ключами S1, S2, S3, управляемые кодом от УУ. Каждому значению Rx соответствует определенная комбинация замкнутых ключей, при которой мост уравновешивается, т.е. выполняется условие равновесия Rx*R3=R2*R4
При R2*R4=const измеряемое сопротивление пропорционально проводимости G3, а следовательно и числу, код которого она определяет. Поэтому набор резисторов с ключами называют преобразователем кода в проводимость. В общем случае проводимость G3 будет определяться, как G3=G*N, G=1/R - квант преобразователя, при этом R - наибольшее из всех сопротивлений.
Тогда измеряемое сопротивление: Rx=R2*R4*G*N=g*N (1), где g-квант цифрового моста.
В цифровых мостах с несколькими диапазонами принято менять значение кванта g. Для этого достаточно изменить R2 или R4. Выбор нужного диапазона достигается замыканием соответствующих ключей (вручную или автоматически).
Внимание! Каждый электронный конспект лекций является интеллектуальной собственностью своего автора и опубликован на сайте исключительно в ознакомительных целях.
