Конспект лекции: Автоматическое определение и индикация полярности
Для построения двухполярного цифрового вольтметра необходимо дополнение в его аналоговую часть и применение знакового индикатора в ЦОУ. Для автоматизации процесса нужно выбрать признак полярности напряжения и дополнить дискретную часть ЦВ автоматом полярности.
Принцип построения двухполярного времяимпульсного ЦВ с двухтактным интегрированием заложен в его структурной схеме имеющей вид:

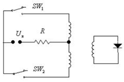
В отличие от рассмотренной ранее схемы преобразования напряжения в код, содержит двухполярный источник опорного напряжения ИОН и 3 ключа SW1-SW3. Признаком полярности измеряемого напряжения является полярность напряжения на выходе интегратора после первого такта интегрирования. При U>0 в начале второго такта интегрирования замыкается ключ SW2, а при U<0 SW3.

В частотноимпульсном ЦВ в зависимости от полярности измеряемого напряжения должна изменяться полярность опорного напряжения U0 на выходе ЗИОСС, схема которого представлена ниже. Чтобы получить импульс обратной полярности надо изменить полярность выпрямления, признаком полярности в этом случае может служить полярность напряжения на выходе интегратора до появления первого импульса на выходе ЗИОСС. При U>0 ключ SW2 замыкается.

В кодоимпульсном ЦВ в зависимости от полярности измеряемого напряжения должна выбираться полярность напряжения U0 на выходе преобразователя кода в напряжение. Признаком полярности является сигнал на выходе устройства сравнения после сброса, то есть при U0=0.
Рассмотрим способ построения автомата полярности для кодоимпульсного ЦВ. Значение сигнала у на выходе устройства сравнения при обоих условиях отражены в таблице:

Для правильной работы ПКН необходимо, чтобы в обоих случаях было обеспечено: y=1, если |U|<|U0|; y=0, если |U|>|U0|. Эта задача решается инверсией у и выборе у при U>0, или ‾y при U>0

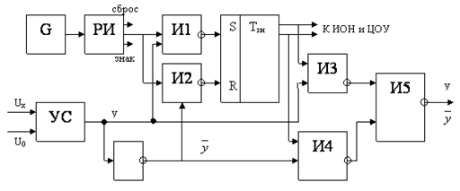
В таком случае схема автомата выбора полярности может быть представлена следующим образом:

В работе ПКН для определения полярности предусматривается дополнительный (второй) такт и соответствующий выход из распределителя импульса РИ. В первом такте (сброс) сигналы у и ‾y принимают значения определяемые полярностью входного напряжения. Во втором такте (знак) через элементы И1 и И2 Тзнака устанавливается в состояние логического «0» при U>0 и в состояние логической «1» при U<0. В последующих тактах состояние триггера не изменится и сигнал на выходе элемента И5 повторяет на выходе у при U>0 или ‾y при U<0. Выходной сигнал триггера Тзнака используется также для выбора полярности U0 источника опорного напряжения и для управления знаковым индикатором ЦОУ.
Внимание! Каждый электронный конспект лекций является интеллектуальной собственностью своего автора и опубликован на сайте исключительно в ознакомительных целях.
