Конспект лекции: Автоматический выбор диапазона
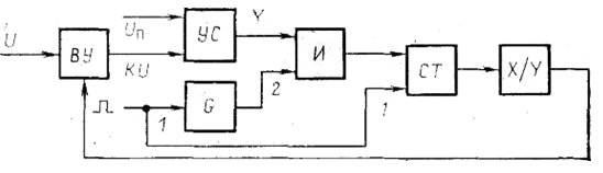
Обеспечение нескольких диапазонов достигается применением входного делителя и делителя в цепи обратной связи входного усилителя. На ЦОУ переключению делителя соответствует изменение места положение запятой, а также обозначение единиц измерения на буквенном индикаторе. Для осуществления автоматического поиска во входном устройстве ЦВ применяется реле или ключ для переключения диапазона, а дискретная часть ЦВ дополняется автоматом поиска диапазона. Перебор диапазона может производиться как в направлении от старшего к младшему, так и наоборот. Первый вариант предпочтительней в отношении предотвращения перегрузок входного устройства. Структурная схема автомата выбора диапазона имеет вид:

На вход УС поступают напряжение KU, где К – коэффициент преобразования ВУ (усиление или деление), и пороговое напряжение Uп, которое выбирается равным минимальному значению U, на основном диапазоне (K=1), при котором происходит переход на предшествующий диапазон. При KU< Uп на выходе УС образуется сигнал Y=1, при KU>Uп — сигнал Y=0. Поиск диапазона начинается с приходом импульса сигнала 1, устанавливающего счетчик импульсов СТ в исходное «0» состояние и запускающего генератор импульсов G. Код на выходе счетчика через преобразователь кода X/Y управляет реле, входящих в ВУ. В исходном нулевом состоянии включается старший диапазон. Если при этом KU>Uп, то элемент И будет закрыт для прохождения импульсов сигнала 2 от генератора на счетчик и останется включенным старший диапазон. Если же, KU< Uп, то элемент И пропустит 1-й импульс на счетчик в результате чего включится следующий диапазон, и т. д. Поскольку количество диапазонов невелико (4-10), СТ содержит всего 2-3 разряда.
Пример: пусть ЦВ имеет G диапазон с номинальными значениями 10мВ, 100мВ, 1В, 10В, 100В, 100В. Примем 20% перекрытие 12мВ, 120мВ, 1,2В, 120В, 1000В

Пусть измеряемое напряжение = 8В, тогда Uп =120мВ
Внимание! Каждый электронный конспект лекций является интеллектуальной собственностью своего автора и опубликован на сайте исключительно в ознакомительных целях.
