Конспект лекции: Частотно-импульсный цифровой вольтметр
Основан на преобразовании напряжения в частоту
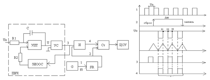
Структурная схема и временная диаграмма работы имеют вид:

ПНЧ – преобразователь напряжения в частоту.
УПТ – усилитель постоянного тока.
ЗИООС – звено импульсной ООС.
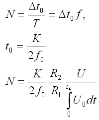
Преобразователь U→K для частотно-импульсного цифрового вольтметра (ЧИЦВ) основан на преобразовании U→f. Предположим, что в момент времени t1 напряжение U(t1) на выходе интегратора >0. В интервале времени t>t1 и t Во время действия этого импульса напряжение U на выходе интегратора возрастает, а по окончании импульса линейно падает, далее процесс повторяется. В течении интервала времени Δt0 создаваемого генератором G и делителем частоты :FR, импульсы 3 проходят на счетчик Ст, на выходе которого образуется код числа N. В начале, каждого цикла фронт сигнала 2 дает команду на сброс счетчика, а спад на запись в регистр ЦОУ. Установим связь между U и f. Из временной диаграммы видно, что интеграл от входных напряжений интегратора за время t1-t2, должен быть равен интегралу от них же за t2-t3, следовательно: где τ1=R1*C – постоянная времени интегратора по входу, на который подано Ux. При прямоугольной форме U0 интеграл можно представить площадью импульса, т.е. имеем: Учитывая, что t3-t1=T=1/f, а t3-t2=tи – длительность импульса (t4), из выражения (2) можно получить значение частоты: Т.к. постоянные времени интегратора определяются R1, R2 и С, то можно записать, что: т.е. частота пропорциональна Ux Число N связано с f соотношениями: Источники погрешности: 1. Погрешность дискретности, которая вызвана преобразованием непрерывной величины f в дискретную N/Δt. Максимально абсолютная погрешность приведена по входу интегратора INT: По входу ПНК: Относительная: Приведенная: 2. Инструментальная погрешность отражается нестабильностью f0, отношением R2/R1 и нестабильностью INT. Вольтметры данного типа защищены от сетевой помехи лучше, чем вольтметры с 2-х тактным интегрированием, т.к. интервал интегрирования соответствует всему диапазону преобразования. Для защиты ЦВ от помех общего вида входного устройства и ПНК помещают внутрь экрана, остальные узлы и ЦОУ вне.

τ2=R2*C – постоянная времени интегратора по входу, на который подано U0. 







Внимание! Каждый электронный конспект лекций является интеллектуальной собственностью своего автора и опубликован на сайте исключительно в ознакомительных целях.
