Конспект лекции: Преобразователи действующих (среднеквадратических) значений
В соответствии с определением действующего значения функциональная схема преобразователя среднеквадратических значений (ПСЗ) состоит из квадратирующего функционального преобразователя (ФП), усредняющего устройства и ФП, реализующего извлечение квадратного корня.
В тех случаях, когда особенности аппаратурной реализации квадратирующего ФП не позволяет использовать на его входе знакопеременное напряжение, квадратирующему устройству в функциональной схеме может предшествовать устройство выделения модуля входного сигнала.
Если схемы ПДЗ, в которых отсутствует ФП, обеспечивающий извлечение квадратного корня – ПДЗ с квадратичной функцией преобразования. Такой принцип построения используется в тех случаях, когда преимущества линейной функции преобразования не оправдывают усложнений схемы, связанных с введением второго функционального преобразователя.
В качестве устройства выделения модуля входного сигнала и усредняющего устройства в ПДЗ используются активные и пассивные схемы.
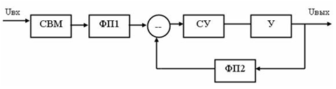
Для создания квадратирующих устройств и устройств, реализующих операцию извлечения корня из усредненного сигнала, могут использоваться как ФП с естественной нелинейностью характеристик, так и ФП с кусочной аппроксимацией. Среди ряда известных методов организации структур ПДЗ наиболее эффективным является метод взаимообратных преобразований. Функциональная схема ПДЗ, реализующая его представлена на рисунке:

Идея метода взаимообратных преобразований заключается в использовании для операций квадратирования и извлечения корня идентичных по характеристикам квадратирующих преобразователей в цепи прямого преобразования и цепи отрицательной обратной связи усилителя с большим коэффициентом преобразования усиления.
Для идентичных ФП можно записать
ΔU=U2вх- U2вых
Uвых=ΔUKу
где Kу>>1 - коэффициент усиления усилителя.
При больших значениях Kу напряжение на входе усилителя ΔU→0 и справедливо приближенное равенство:
U2вх= U2вых
Схема усреднения представляет собой фильтр нижних частот, характеристика которого обеспечивает подавление напряжения с частотой входного сигнала и неискаженное пропускание составляющих спектра изменения действующих значений. Учитывая наличие спектра, можно записать:
Uвх= Uвых
Реализация обратного функционального преобразования не единственное преимущество способа взаимообратных преобразований.
В схемах, использующих этот способ, происходит компенсация нестабильности характеристик ФП в той мере, в какой эти характеристики идентичны.
Внимание! Каждый электронный конспект лекций является интеллектуальной собственностью своего автора и опубликован на сайте исключительно в ознакомительных целях.
