Конспект лекции: Преобразователи средневыпрямленных значений
Функциональная схема преобразователя средневыпрямленных значений (ПЗС) состоит из устройства выделения модуля и усредняющего устройства.
Различают активные и пассивные ПЗС.
Пассивные преобразователи средневыпрямленных значений
1. Однополупериодный пассивный ПЗС:

2. Двухполупериодный пассивный ПЗС:

При равенстве прямых и обратных сопротивлений соответственно:

Активные преобразователи средневыпрямленных значений.
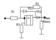
1. Однополупериодный активный ПЗС:

При положительном Uвх, Uвых = - Uвх * R2 / R1 (2)
При положительной полярности Uвх открыт диод VD1 и на входе ПЗС через R2 подается напряжение с инвертирующего входа. Если не учитывать обратного тока закрытого диода VD2 и ЭДС смещения операционного усилителя, то можно считать, что напряжение на инвертирующем входе и выходе равно нулю.
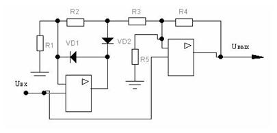
1. Двухполупериодный активный ПЗС:
Схема двухполупериодного ПСЗ, обеспечивающая высокое входное и малое выходное сопротивления, представлена на рисунке:

Выходное напряжение этой схемы при Uвх>0

При Uвх<0

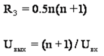
Приравнивая правые части выражения (1) и (2) и, решая полученное уравнение, получим значение R3, при котором модуль коэффициента передачи будет одинаковым при положительном и отрицательном входном напряжении:

Если выбрать R1= R2= R5= R; R4=nR, то

Верхнее граничное значение рабочей полосы частот ПСЗ обычно определяется частотными свойствами изучаемого усилительного элемента.
Возможно создание ПСЗ с погрешностью 0,005 – 0,01%, значение нелинейности 0,1% и пороговым напряжением порядка 1 мВ. Построение ПСЗ с указанными характеристиками требует решения вопроса о создании прецизионного усилителя с достаточно большим коэффициентом усиления.
Внимание! Каждый электронный конспект лекций является интеллектуальной собственностью своего автора и опубликован на сайте исключительно в ознакомительных целях.
