Конспект лекции: Преобразователи амплитудных значений
Пассивные преобразователи амплитудных значений (ПАЗ) диодно-конденсаторные выпрямительные схемы, в которых выпрямление сигнала предшествует усилению (выпрямитель-усилитель). Как правило, в этих структурах используются однополупериодные ПАЗ.
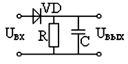
Схема с открытым входом:

Идеальная ВАХ диода, эпюра напряжения на нём, эпюра тока через него:

Зарядка конденсатора происходит в положительный полупериод входного напряжения. Постоянная времени заряда τ заряда определяется значением ёмкости С и суммой сопротивления открытого диода и внутреннего сопротивления измеряемого объекта. Разрядка конденсатора происходит при закрытом диоде с постоянной времени τ разряда, определяемой значением ёмкости и разрядным сопротивлением R. Постоянные времени вытирают из соотношения τразр>>τзаряд; τразр>>1/fmin; τзаряд<1/fmax, где fmax, fmin – максимальное и минимальное значения граничных частот прибора.
Если в выпрямительной цепи выходное напряжение снимается с конденсатора, то такая схема называется схемой с открытым входом. Если с диода, то схема с закрытым диодом:

Среднее значение выходного напряжения связано с амплитудой измеряемого напряжения соотношением:

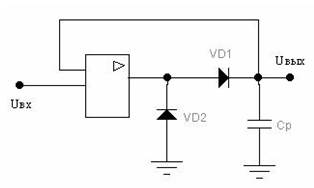
Схема простейшего активного преобразователя амплитудных значений:

Преобразуемое переменное напряжение подается на неинвертирующий вход операционного усилителя (ОУ). Если Uвх>0, то диод VD1 смещается в прямом направлении, подключая Cр к выходу ОУ. Конденсатор Cр заряжается до амплитудного значения Uвх с постоянной времени, определяемой емкостью Cр и малым выходным сопротивлением ОУ с единичной отрицательной обратной связью. При уменьшении Uвх диод смещается в обратном направлении, отключая Cр от выхода усилителя. Скорость разряда определяется значением Cр и значением сопротивления, включенного параллельно конденсатору, главным образом, значением входного сопротивления устройства, включенного на выход ПАЗ. Диод VD2 фиксирует выходное напряжение ОУ на уровне равном – UD, что уменьшает время, необходимое для перехода от режима разряда конденсатора Cр к режиму заряда.
Погрешность преобразования определяется неидеальностью ОУ, конечным значением обратного сопротивления диодов и наличием тока утечки конденсатора Cр.
Практически, активные ПАЗ не используются в широкополосных вольтметрах, основанных на структуре выпрямитель – усилитель, так как не обеспечивают высоких значений верхней граничной частоты полосы пропускания. В основном, активные ПАЗ применяются при создании преобразователей амплитудных значений импульсных сигналов, в качестве которых используются диодно-конденсаторные пиковые детекторы.
Внимание! Каждый электронный конспект лекций является интеллектуальной собственностью своего автора и опубликован на сайте исключительно в ознакомительных целях.
