Конспект лекции: Измерительные цепи и погрешности ваттметров
Измерительные цепи электродинамических ваттметров зависят от количества пределов измерений по току и напряжению, а также от необходимости компенсации погрешностей, прежде всего температурной и частотной.
Температурная погрешность ваттметров.
Температурная погрешность ваттметров γ t возникает вследствие изменения сопротивления r 0 обмотки рамки и изменения упругих свойств пружинок или растяжек.
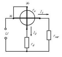
Простейшая измерительная цепь электродинамического ваттметра:

Условие температурной компенсации (γ t =0) имеет вид :
βw =(β0r 0)/( r0+ rд)
где β0- температурный коэффициент электрического сопротивления материала провода обмотки рамки;
βw - температурный коэффициент упругости пружинок или растяжек;
rд - добавочное сопротивление (βд=0).
При малых rд (на пределах измерения в несколько десятков вольт): (β0 r0 )/(r0+rд)>βw и, следовательно, погрешность определяется изменением сопротивления обмотки рамки.
При больших rд (β0r0)/(r0+rд)<β w и, следовательно, погрешность определяется изменением упругих свойств пружинок.
Это значит, что при возрастании температур на малых пределах показания уменьшаются, а на больших – увеличиваются.
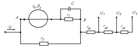
Для улучшения компенсации γt - применяют специальные схемы.
Все сопротивления в схеме, кроме r0 выполнены из манганина (β=0)
γt=βw-β0(r0m/r)(1+rд/r)
где rд - добавочное сопротивление на данном пределе измерения;
m=r 2/(r0+r1+r 2);
r=rд+((r0+r1)*r2)/(r0+r1+r2).
Измерительная цепь электродинамического ваттметра с компенсацией температурной и частотной погрешностей:

Погрешность ваттметров от изменения частоты.
Погрешность электродинамических ваттметров от изменения частоты γf вызывается следующими причинами:
- а) изменением тока I2 в параллельной цепи ваттметра, вызванным зависимостью полного сопротивления этой цепи от частоты;
- б) изменением фазовых соотношений в параллельной цепи ваттметра (угловая погрешность);
- в) возникновением ЭДС в подвижной катушке при пронизывании ее переменным магнитным полем неподвижных катушек (погрешность от взаимной индуктивности).
Погрешностью от изменения тока I2 (для реальных конструкций ваттметров) обычно пренебрегают (она составляет сотые доли процента).
Угловая погрешность: γδ=δtgφ*100%, где δ -угол между напряжением и током I2 в параллельной цепи ( измеряется в радианах).
Основной способ компенсации угловой погрешности – это включение в параллельную цепь последовательно с обмоткой рамки конденсатора емкостью C.
Для компенсации надо, чтобы ZAB было чисто активным, т.е. мнимое значение сопротивления было равно нулю.
При выполнении этого условия значение емкости компенсирующего конденсатора C=L0/r02, где L0-индуктивность подвижной катушки.
Чем лучше выполняется неравенство ω2С2r12<<1, тем точнее удовлетвориться предыдущее уравнение.
Погрешность от взаимной индуктивности зависит от значения и характера реактивного сопротивления цепи рамки. При чисто активной нагрузке цепи рамки среднее значение ΔМвр=0, т.е. погрешность не возникает, следовательно, путем включения конденсатора можно исключить не только угловую погрешность, но и погрешность от взаимной индуктивности.
Внимание! Каждый электронный конспект лекций является интеллектуальной собственностью своего автора и опубликован на сайте исключительно в ознакомительных целях.
