Конспект лекции: Принцип действия кодоимпульсного цифрового вольтметра
Принцип работы:

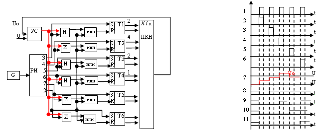
- На вход УС подается преобразуемое напряжение и опорное
- В процессе преобразования U0 изменяется по определенной программе, приближаясь к измеряемой величине U. Эту программу реализует устройство управления УУ, содержащее распределитель импульсов РИ, входы триггеров Т, логические элементы И и ИЛИ. Количество триггеров и логических элементов определяется количеством разрядов кода. Триггеры Т1 - Т5 образуют старшую тетраду, триггер Т6 - младший разряд.
- Импульсы 1 от генератора G последовательно появляются на выходах РИ. Далее они проходят через элементы И и ИЛИ на входе триггеров и устанавливают их в состояние «0».
- На выходе преобразователя кода напряжения (ПКН) U0=0 (исходное состояние).
- Второй импульс поступает на S вход триггера Т1 и устанавливает его в «1». На выходе ПКН появляется напряжение U01, значение которого соответствует весовому коэффициенту 2*10m-1, U01=0,2*U0. УС определяет знак разности U01-U, если она меньше нуля, то на выходе УС образуется «0». Этим сигналом закрывается логические элементы И. Если разность больше «0», то элементы И открываются, т.е. будет идти процесс увеличения до тех пор, пока U0>U.
- Третьим импульсом устанавливается триггер Т2 в состояние «1» и не изменяется состояние Т1. На выходе ПКН образуется напряжение U02, значение которого соответствует сумме весовых коэффициентов: U02=2*10m-1+4*10m-1=0,6*U0max - число разрядов.
- Четвертый импульс устанавливает триггер Т3 в единицу, не изменяя состояние Т1 и Т2. U03=0,8*U0maxU03>U, то на выходе УС устанавливается «1», которая открывает элемент И1.
- Пятый импульс устанавливает в «1» Т4 и проходя на вход R триггера Т3, сбрасывает его в «0». Состояние триггер Т1 – Т4, после пятого импульса выражает код старшего десятичного разряда.
- С шестого импульса начинает работать младшая тетрада и все процессы проходят аналогично с той лишь разницей, что последовательное изменение U0 соответствует весовым коэффициентам 2*10m-2 и т.д. Количество выходов с распределительного устройства будет определяться как 4*m+3, где m – количество тетрад. При этом для установления триггеров требуется 4*m+1 импульс. Один импульс - для сброса триггера в исходное состояние и один – для записи в регистр.
Погрешность дискретности определяется по общим формулам, инструментальная погрешность создается ПНК и УС. Опорный генератор погрешности не дает. Каждой следующей тетраде изменения U0 последовательно уменьшается в 10 раз.
Внимание! Каждый электронный конспект лекций является интеллектуальной собственностью своего автора и опубликован на сайте исключительно в ознакомительных целях.
