Конспект лекции: Принцип действия времяимпульсного цифрового вольтметра с линейной разверткой
Рассматриваемый преобразователь напряжения постоянного тока в код с промежуточным преобразованием во временной интервал называют аналого-цифровым преобразователем (АЦП) последовательного счета.
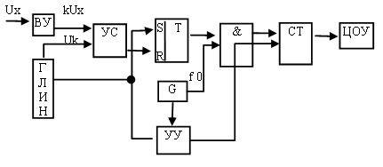
Если речь идет об автономном измерительном приборе, т.е. вольтметре, то чаще всего используют термин "вольтметр с времяимпульсным преобразованием" или "вольтметр с временным преобразованием". Структурная и временная диаграмма его работы имеют вид:


ГЛИН - генератор линейно-изменяющегося напряжения
Принцип действия:
- Напряжение постоянного тока Ux подается через входное устройство ВУ, представляющее собой масштабный преобразователь с коэффициентом преобразования К1, на устройство сравнения УС.
- После запуска на УС подается и напряжение Uк от ГЛИН.
- Одновременно сигналом запуска триггер Т устанавливается в единичное состояние, тем самым открывается вентиль (&) для прохождения импульсов от генератора G к счетчику СТ. Вентиль остается открытым до тех пор, пока не наступает равенство напряжений К1Ux и Uк
- В момент наступления равенства сигналом от УС триггер Т переводится в нулевое состояние и вентиль запирается. Т.о. число импульсов, поступивших на счетчик СТ будет равно N=Тx*f0,
где Тx - время открытого состояния вентиля,
f0- частота генератора G
Как видно из временной диаграммы, время открытого состояния вентиля пропорционально величине измеряемого напряжения, т.е
Тx=(Тпр/Ukm)*К1*Ux ,
Тx=(1/S)*K1*Ux
где S=Ukm/Tпр=dUk/dt - крутизна линейно изменяющегося напряжения,
Ukm - амплитудное значение напряжения ГЛИН.
В таком случае на счетчик поступит число импульсов N=f0*(Tпр/Ukm)*K1*Ux
Отсюда получим Ux=Ukm*N/Tпр*f0*K1=(S/f0*K1)*N.
Из этой формулы видно, что на результат измерения влияют параметры ГЛИН, генератора G и ВУ. Т.о. максимальная относительная погрешность преобразования может быть определена из выражения:
δпр=+(δн+δо+δк+δд),
где δн - относительная погрешность, обусловленная отклонением Uk от линейного закона и нестабильностью крутизны во времени,
δo=Δf0/f0 - это
относительная погрешность, вызванная нестабильностью опорного генератора G,
δк=Δk/k – это относительная погрешность, обусловленная ВУ (коэффициент нестабильности),
δд=ΔN/N - относительная погрешность дискретности.
Первые три составляющие - инструментальные погрешности, обусловленные технологическим несовершенством, временной и температурной нестабильностью.
Погрешность дискретности - методическая.
δн может быть представлена как сумма погрешности от нелинейности δнел и погрешности от нестабильности крутизны δкр:
δн=δнел+δкр.
В свою очередь δнел=φδs,
где φ - коэффициент, зависящий от типа ГЛИН, и может составлять от 0,125 до 0,5;
δs=(Sн-Sк)/Sн,
где Sн= dUн/dt, Sк= dUк/dt - крутизна нарастания напряжения ГЛИН соответственно в начале и в конце прямого хода.
Для ГЛИН, построенных на операционных усилителях можно получить δs=10-4 - 10-5.
Временнаятемпературная нестабильность при использовании высококачественных элементов R и С может быть очень малой (0,0,2%), а при периодической калибровки может быть равной "0".
Относительная погрешность за счет нестабильности частоты задающего генератора G в случае использования кварцевой стабилизации будет δо=10-5- 10-7.
Погрешность дискретности δд возникает при преобразовании интервала времени Тx в цифровой код и является следствием несовпадения начала и конца интервала с импульсами генератора G. Абсолютное значение этой погрешности составляет +1 квант, величина которого во времени составляет τ0=1/f0. Следовательно погрешность дискретности можно определить как δд=1/f0*Tx).
Относительная погрешность ВУ δк вносит основной вклад в общую погрешность, поэтому в некоторых случаях для упрощения в расчетах можно принять , что δк=δм. Применяя высокостабильные элементы и используя различные коррекции и калибровки можно получить δк=10-3 - 10-4, но при этом нужно выполнить обязательное условие - δм≈ δк≤(с-d)/100.
Для правильно спроектированного АЦП с времяимпульсным преобразованием погрешность дискретности, определяемая шагом квантования, имеет доминирующее значение среди других, поэтому можно принять, что δд≈ δа≤d*Ukm/(100*Ux).
Обычно принимают, что Ukm=(1,1-1,2)*K1.
Тогда f0=1,2*100/(Тпр*d) - найдена выше.
δД=1/N=Ukm/(Ux*f0*Tпр)≤dUkm/100
δп=с+d*(Ukm/Ux-1)=(c-d)+dUkm/Ux
δм=с-ddUkm/Ux - аддитивная.
Внимание! Каждый электронный конспект лекций является интеллектуальной собственностью своего автора и опубликован на сайте исключительно в ознакомительных целях.
