Конспект лекции: Цифровые частотомеры (функциональная схема, диаграмма работы, погрешности)

В основе принципа действия лежит частотно-импульсный метод.
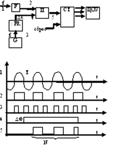
Принцип работы:
С формирователя F сигнал прямоугольной формы поступает на один из входов И, на другой вход поступает импульс длительности Δt0, который получается на выходе делителя частоты :FR и делится в К раз. Счетчик СТ подсчитывает число переходов от 0 к 1 на интервале Δt0. Код числа N поступает на ЦОУ.
Без учета погрешности можно записать, что количество импульсов N,поступивших на счетчик:
N=Δt0/T=Δt0f=kf/2f0
f=N/Δt0=2f0N/k=gN
Рассмотрим погрешности, искажающие эти соотношения. Можно выделить 3 источника погрешности:
- 1) Отличие кванта от номинального значения из-за ухода частоты f0 (f0± Δf0), (gНОМ±Δg)
- 2) Преобразование непрерывной величины f в дискретизированную величину gN. В этом случае максимальное абсолютное значение погрешности будет составлять ±0.5g
- 3) Отсутствие синхронизации сигнала частотой f с сигналом частотой f0. Максимальная абсолютная погрешность, вызванная этим фактором, составляет ±0.5g
Последние 2 фактора обуславливают максимально возможные отличия числа N от его идеального значения на ±1. С учетом этих факторов:
f±Δf=f(1±δ)=(gном±Δg)(N±1)=gномN(1±δf0)(1±1/N), где
Δf и δ – абсолютная и относительная погрешности всего ЦИУ
С учетом малости δf0 и при N>>1 относительная погрешность ЦЧ будет определяться как:
δ= Δf/ f=±( δf0+1/N)
δ= Δf/ f=±( δf0+1/ (Δt0*f))
При кварцевой стабилизации частоты генератора первая составляющая выражения (мультипликативная) δf0=(10-4 – 10-7) %, вторая составляющая (аддитивная погрешность) 1/ (Δt0*f) зависит от частоты.
Чтобы при f=fmax обе составляющие были одного порядка, нужно чтобы Nmax=106 – 109 (разрядность ЦОУ). Поэтому наиболее точные ЦЧ имеют до 10 десятичных знаков ЦОУ. Рост второй составляющей с уменьшением частоты можно задержать увеличивая Δt0. Однако при этом снижается быстродействие.
Обычно предусматривают ряд значений Δt0, величины которых равны 0,1; 1; 10 секунд. Переключение этих интервалов сопровождается изменением места положения запятой, а иногда сменой обозначения единиц измерения ( Герц, килоГерц, МегаГерц). Выбирая величину Δt0, нужно иметь ввиду, что необходимо обеспечить условия Δt0*f<=Nmax.
Если частота за время Δt0 изменяется, то результат измерения представляет собой среднее значение частоты.
Внимание! Каждый электронный конспект лекций является интеллектуальной собственностью своего автора и опубликован на сайте исключительно в ознакомительных целях.
