Конспект лекции: Техническая реализация методов преобразования
Большое количество физических величин x преобразуется в ограниченное количество аналоговых величин y. Такой величиной y может быть:
- Δt – временной интервал;
- f – частота следования;
- U – напряжение;
- α, l – угловое и линейное перемещение.
1) Время импульсный метод


Принцип работы: в течении интервала времени Δt сигнал 3 на выходе логического элемента И повторяет сигнал 1 от генератора импульсов G. При этом количество переходов сигнала 3 от 0 к 1 будет определяться числом N, N= Δt/T0= Δt*f0. На выходе счетчика образуется код числа N. Этот метод находит применение в следующих ЦИП:
- а) цифровых хронометрах, в которых измеряемой величиной является временной интервал;
- б) цифровых измерителях периода;
- в) цифровых вольтметров, в которых измеряемое напряжение преобразуется во временной интервал;
- г) в пространственных АЦП линейных и угловых перемещений.
2) Частотно-импульсный метод


Принцип работы: длительность Δt0 опорного интервала времени задает генератор G и делитель частоты :FR. За время Δt0 на счетчик проходит N большое импульсов входного сигнала с измеряемой частотой. При этом N будет определяться как N= Δt0/Т= Δt0*f. Стабильность интервала времени Δt0 определяется стабильностью f0 опорного генератора. В данном случае входной величиной период Т считать неудобно, т.к. число N связано с T обратной зависимостью, поэтому входной величиной является частота f.
Область применения:
- - в цифровых частотомерах;
- - в цифровых вольтметрах, где U преобразуется в f.
3) Кодоимпульсный метод


Принцип работы: измеряемое напряжении U сравнивается с опорным U0, которое скачкообразно приближается к измеряемому напряжению. Устройство сравнения УС выдает на устройство управления УУ информацию о том, какое напряжение больше (сигнал 2). Весь процесс происходит за несколько тактов, которое задает генератор импульсов G. В каждом такте на выходе устройства управления УУ образуется код К, который поступает на преобразователь кода в напряжение ПКН. В этом случае ступени квантования, которыми измеряется U0 равны 8g, 4g, 2g и g.
Алгоритм работы:
Если U0>U, то в следующем такте эта ступень исключается, а вместо нее добавляется очередная. Если U0
Область применения:
4) Метод пространственного кодирования
5) Метод совпадений

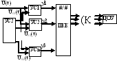
Принцип работы: постоянное напряжение U сравнивается с рядом опорных напряжений U01, U02, U0n, количество которых равно количеству квантов. Они отличаются друг от друга на один квант. Количество УС равно количеству квантов. С приходом строб-импульса на выходе УС образуются сигналы Y1, Y2, Yn, представляющие собой некий код. Для U0 < U Y принимает значение 1, а при U0>U – «0». Этот код по средствам ПКК преобразуется в другой код удобный для отражения на ЦОУ. Этот метод обладает достаточно высоким быстродействием, но требует больших аппаратурных затрат. Используется в АЦП напряжение-код с небольшим количеством разрядов.
Внимание! Каждый электронный конспект лекций является интеллектуальной собственностью своего автора и опубликован на сайте исключительно в ознакомительных целях.
