Конспект лекции: Технические мероприятия по устранению систематических погрешностей
1. Использование метода ООС

ПП - прямое преобразование, ОП - обратное преобразование

При этом уменьшаются систематическая, аддитивная, мультипликативная погрешности и определяется только цепью обратного преобразования (ОП). При увеличении глубины ОС ухудшаются динамические свойства замкнутой системы, т.е. усиливаются переходные процессы, снижается запас устойчивости.
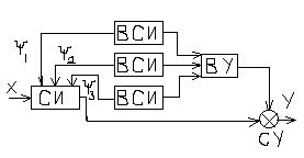
2. Метод вспомогательных измерений.

СИ – средство измерения; ВСИ - вспомогательное средство измерения; ВУ - вычислительное устройство; y – выходной сигнал; кружок с крестиком – суммирующее устройство; Ψ – влияющие факторы.
Используется при известных функциональных зависимостях выходного сигнала от влияющих факторов.
3. Итерационные методы, методы последовательных приближений.
В процессе коррекции результат уточняется несколько раз на основе предыдущих результатов, путем последовательных приближений. В зависимости от вида математических операций различают аддитивные и мультипликативные итерационные алгоритмы коррекции погрешности.

Достоинства: корректируется общая погрешность СИ независимо от причин ее вызвавших.
Недостатки: необходимость в наличии точного образцового преобразователя.
4. Методы образцовых мер (эталоны).
Основаны на определении в процессе цикла измерений реальных значений параметров функции преобразования путем отключения от входа измеряемой величины и подключения образцовой меры.

Проводим несколько измерений, получаем систему уравнений:

Процесс измерений состоит из нескольких тактов. В 1-и подключается измеряемая величина, затем поочередно подключаются на вход известные меры. Решая полученную систему уравнений, определяют параметры полинома и в результате находят значение измеряемой величины. В случае линейной зависимости достаточно произвести 3 измерения:

При этом Mi выбирают из набора мер в зависимости от результата измерений. Данный метод позволяет уменьшить все составляющие систематической погрешности СИ (аддитивную, мультипликативную, нелинейности) независимо от причин их вызвавших.
Недостаток: при реализации данного метода необходимо периодически отключать измеряемую величину и подключать образцовую меру. Используется для измерения электрический и магнитных величин.
5. Тестовые методы уменьшения систематической погрешности.
Тесты формируются с учетом значений измеряемой величины, что позволяет не отключать ее от входа СИ и использовать малое число образцовых величин даже при нелинейной функции измерительного преобразователя. Градуировочная характеристика получается в виде полинома. Для этого используются блоки аддитивного теста (БАТ) и блоки мультипликативного теста (БМТ).

Для линейной зависимости:

Ключи Кл1, Кл2, Кл3 переключаются последовательно, что позволяет провести три измерения и вычислить измеряемую величину по приведенной формуле по результатам 3-х измерений при заданных значениях Θ и d.
Обеспечить стабильность Θ не сложно, а стабильность d трудно реализуема. Поэтому используют модернизированную схему:


Первые три измерения аналогичны предыдущему варианту, в 4-м такте на вход подаются аддитивный и мультипликативный тесты одновременно.
Внимание! Каждый электронный конспект лекций является интеллектуальной собственностью своего автора и опубликован на сайте исключительно в ознакомительных целях.
