Конспект лекции: Метрологические характеристики электронных осциллографов
1. Полоса пропускания или параметры переходной характеристики. Полоса пропускания – диапазон частот, в котором АЧХ имеет спад не более 3 дБ относительно значения на опорной частоте. Опорная частота – частота, на которой спад АЧХ отсутствует. Значение спада АЧХ в дБ находит из соотношения:

где lfоп - значение изображения на опорной частоте,
lfизм - размер изображения на частоте, для которой измеряется спад АЧХ.
2. Неравномерность АЧХ.
3. Нелинейность амплитудной характеристики усилителя ЭО: βa=(l-1)*100%, где l – наиболее отличающийся от одного деления шкалы экрана размер изображения сигнала в любом месте рабочей зоны экрана. Её измеряют, подавая на вход осциллографа сигнал импульсной или синусоидальной формы с амплитудой, обеспечивающей получение в центре экрана ЭЛТ изображения сигнала размером в одно деление шкалы. Затем измеряют размер изображения сигнала в различных местах рабочей части экрана, перемещая его по вертикальной оси с помощью внешнего источника напряжения.
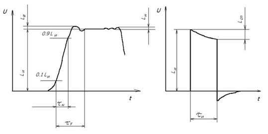
4. Качество воспроизведения сигнала в импульсном ЭО. Это качество характеризуется параметрами переходной характеристики (ПХ):

4.1. Время нарастания переходной характеристики (ПХ) - τн измеряют при следующих условиях: на вход ЭО подают импульсы с временем нарастания не более 0,3 времени нарастания ПХ, указанной в паспорте, в стандартах или технической документации на ЭО конкретного типа. Длительность импульса должна быть не менее, чем в 10 раз больше времени нарастания ПХ. Выбросы на импульсе не должны превышать 10% времени нарастания изображения импульса, в течение которого происходит отклонение луча от уровня 0.1 до уровня 0.9 амплитуды импульса;
4.2. Значение величины выброса: δu = (lB/ lu)*100% , где lB – амплитуда изображения выброса, lu - амплитуда изображения импульса. Определение δu производят на импульсах положительной и отрицательной полярности.
4.3. Спад вершины изображения импульса: lСП (значение величины спада импульса) измеряют, подавая на вход канала вертикального отклонения импульс длительностью более 25 τн с амплитудой, обеспечивающей максимальный размер изображения импульса в рабочей части экрана ЭЛТ. Значение спада вершины импульса измеряют по его изображению в точке, отстоящей от начала импульса на время, равное его длительности. Нормируют значение относительно спада вершины импульса, которое определяется по формуле: Q=lСП/lu
4.4. Неравномерность вершины изображения импульса (отражение, синхронность наводки). Величина отражения γ определяется из формулы γ=(S1-S) / S, где S1 – амплитуда выброса или спада, S – толщина линии луча, указанная в стандартах или в описании на данный ЭО. Синхронные наводки v определяют измерением амплитуд, наложенных на изображение колебаний, вызванных внутренними наводками, синхронным запуском развертки: v = (v1-S) / S, где v1 – отклонение луча ЭЛТ из-за наложения на изображение колебаний, вызванных внутренней наводкой. Зная параметры ПХ можно определить параметры АЧХ: fB = 350/τн(МГц), fн = Q / (2π τu)(Гц).
5. Чувствительность (нормальное значение коэффициента отклонения): ε=l/Uвх…Kd=1/ε=Uвх/l…δK=(Kd/Kd0)*100%, где ε - чувствительность, l – значение изображения амплитуды импульса, Uвх – значение амплитуды входного сигнала, Kd – коэффициент отклонения сигнала по ОУ, δК – погрешность коэффициента отклонения, Kd0 – номинальное значение Kd, указанное в технической документации.
6. Параметры входа ЭО с полосой пропускания до 30 МГц определяются непосредственным измерением R и С соответствующими приборами. Для более широкополосных ЭО в тех. описании дается методика определения этих параметров.
7. Погрешности калибратора амплитуды и калибратора временных интервалов и их измерение. Определение погрешности измерения данных параметров производится путем сравнения показаний испытуемого ЭО и образцового измерительного устройства с погрешностью измерения соответствующей величины в 3 раза меньшей, чем у поверяемого ЭО.
8. Длительность развертки – время прямого хода развертки, за которое луч пробегает всю рабочую часть экрана в горизонтальном направлении. В современных ЭО длительность прямого хода развертки ТП задается в виде коэффициента развертки Кр = ТП/lТ , δр=(Кр/Кр ном-1)*100% , где lТ – длина отрезка горизонтальной оси, соответствующая длительности ТП, δр – погрешность коэффициента развертки, Кр ном – номинальное значение коэффициента развертки.
9. Нелинейность развертки: βр=(l-1)*100%, где l – длительность наиболее отличающегося от 1 см или одного деления шкалы временного интервала в любом места рабочей части развертки в пределах рабочей части экрана.
Внимание! Каждый электронный конспект лекций является интеллектуальной собственностью своего автора и опубликован на сайте исключительно в ознакомительных целях.
