Конспект лекции: Генераторы синусоидальных сигналов
В генераторе синусоидальных сигналов в качестве задающих устройств используют RC или LC – генераторы. RC – генераторы применяются в диапазоне звуковых и ультразвуковых частот, LC - генераторы применяются в диапазоне высоких частот.
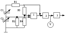
Структурная схема генератора синусоидальных сигналов (RC-генератора) приведена на рисунке:

Условные обозначения:
1- усилитель напряжения;
2- входной усилитель;
3 - выходное устройство.
Задающий генератор состоит из усилителя 1 и четырехполюсника (R 1, C 1, R2, C2), через который осуществляется обратная связь.
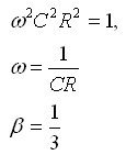
Для получения устойчивой генерации на определенной частоте необходимо, чтобы сумма фазовых сдвигов усилителя (φ) и четырехполюсника (ψ) равнялась 2πn (n=0,1,2…), а коэффициент усиления К являлся величиной, обратной коэффициенту передачи четырехполюсника β, т.е. Кβ=1, φ + ψ = 2πn, где φ, ψ – фазовые сдвиги усилителя и четырехполюсника соответственно. Коэффициент передачи цепи положительной обратной связи:

Обычно принимают R1=R2=R, C 1=C2=C тогда

Чтобы коэффициент обратной связи был вещественным, необходимо сделать знаменатель мнимым, т.е.

Внимание! Каждый электронный конспект лекций является интеллектуальной собственностью своего автора и опубликован на сайте исключительно в ознакомительных целях.
