Конспект лекции: Статические погрешности ЦИП
Статические погрешности складываются обычно из следующих составляющих:
- - погрешность дискретности ΔXA;
- - погрешность реализации уровней квантования ΔXР, возникающей от несоответствия принятых значений уровней квантования и их реальных значений;
- - погрешность ΔX4 от наличия порога чувствительности или от нестабильности порога чувствительности сравнивающего устройства;
- - погрешность ΔXП от действия помех на ЦИП и его элементы.
Составляющие ΔXР, ΔX4 и ΔXП обусловлены несовершенством прибора и поэтому они называются составляющими инструментальной погрешности. Погрешность дискретности – методическая погрешность.
Рассмотрим погрешность дискретности при различных способах отождествления уровня квантования. Для упрощения анализа положим, что ΔXР=0, ΔX4=0, ΔXП=0.
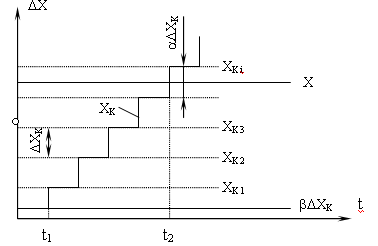
Погрешность дискретности при разных способах отождествления можно рассмотреть на примере прибора последовательного счета, в котором измеряемая величина X сравнивается с известной величиной ΔXК , изменяющейся во времени скачками в один квант:

Последовательно с источником XК включен источник βXК. Определение отождествляемого уровня происходит при установлении равенства XК и X или, точнее, при выполнении условия: (XКi + βΔXК )>=X
Показания прибора должны устанавливаться в соответствии с отождествляемым, т.е. в данном случае с уровнем XКi. Номер отождествляемого уровня, а следовательно и погрешность прибора зависят от значений Х и β.
После фиксации равенства XК и Х в момент t2 установится соотношение:
(XКi + βΔXК)-X=αΔXK, где
α - случайный безразмерный коэффициент, принимающий при повторных измерениях значение в пределах от 0 до 1.
Погрешность прибора при этом будет:
ΔX=XКi - X = αΔXK - βΔXК
В полученной погрешности можно выделить две составляющие:
- - случайную ΔXД = αΔXК - ΔXK/2 ;
- - систематическую ΔXК/2 - βΔXК
Случайная составляющая ΔXД носит название погрешности дискретности (квантования).
Таким образом, при указанных условиях погрешность прибора:
ΔX = (αΔXK - ΔXK/2) + (ΔXK/2 - βΔXК) = ΔXД + (ΔXK/2 - βΔXК)
Значения погрешности дискретности лежат в пределах от - ΔXK/2 до ΔXK/2. В силу равной вероятности появления любого значения измеряемой величины в пределах одного шага квантования дифференциальный закон распределения погрешности дискретности принимается равномерным в пределах от - ΔXK/2 до ΔXK/2. Следовательно, среднеквадратическое отклонение погрешности дискретности:

Изменение βΔXК ведет к изменению способа отождествления и, следовательно, к изменению систематической составляющей погрешности прибора. Действительно, при β=0 систематическая составляющая погрешности прибора М[ΔX]= ΔXК/2 , что соответствует отождествлению с ближайшим большим по значению или равным уровнем квантования.
При β=1 имеем М[ΔX] = - ΔXК/2, что соответствует отождествлению с ближайшим меньшим по значению или равным уровнем квантования. При β=0,5 имеем М[ΔX]=0, что соответствует отождествлению с ближайшим по значению уровнем квантования.
В самом общем случае при 0 <= β <= 1 имеем М[ΔX]=(0,5-β)ΔXК и при этом отождествление происходит с ближайшим большим или с ближайшим меньшим или равным по значению уровнем квантования.
На рисунке показана зависимость погрешности прибора от измеряемой величины для разных значений β:

Периодический характер погрешности придает периодическая зависимость α=f(x). На рисунке также видна зависимость систематической составляющей от β (от способа отождествления). Из приведенных выражений и рисунка следует, что для уменьшения погрешности прибора необходимо стремиться к отождествлению с ближайшим уровнем квантования, но погрешность прибора не может быть меньше погрешности дискретности.
Для определения влияния порога чувствительности Х4 сравнивающего устройства СУ примем ΔХР=0, ΔХП=0, Х=const и будем считать, что величина ХК возрастает во времени скачками в один квант и срабатывание СУ происходит при XКi >= X+XСР

В этом случае погрешность прибора
ΔX = XКi – Х = αΔXK + XСР = (α&DeltaXK - ΔXК/2)+(ΔXK/2+XСР), где &alpha=0 .. 1
Как видно, погрешность ΔХ имеет две составляющие, из которых первая (αΔXK -ΔXК/2) – погрешность дискретности, а вторая – систематическая, зависящая от порога чувствительности СУ. Для уменьшения систематической составляющей применяют СУ с XСР → 0 или последовательно с ХК вводят дополнительный сигнал, равный XСР + ΔXK/2 . В последнем случае систематическая составляющая будет равна нулю.
Рассмотрим погрешности, возникающие в ЦИП при квантовании временного интервала. Временной интервал tx в ЦИП измеряется путем подачи числа квантующих импульсов стабильной частоты f0=1/T0, прошедших в счетчик импульсов за время tx.

В общем случае tx не кратно Т0 и поэтому возникает погрешность Δt = t - tx , где t=NT0 (N- число импульсов, зафиксированных счетчиком импульсов). Эта погрешность зависит от временного сдвига старт- и стоп- импульсов относительно квантующих импульсов и выражается в виде двух составляющих Δt = Δt1 - Δt2 =α1T0 - α2T0, где α1=0..1 и α2=0..1 - случайные коэффициенты.
Первая составляющая Δt1=α1T0 называется погрешностью от случайного расположения начала шкалы. Она всегда находится в пределах 0..Т0 и имеет равномерный дифференциальный закон распределения, так как появление старт- импульса между квантующими импульсами равновероятно. Вторая составляющая Δt2=α2T0 – погрешность, вызванная случайным расположением стоп- импульса относительно квантующих импульсов и соответствующая отождествлению с ближайшим меньшим или равным уровнем квантования. Дифференциальный закон распределения этой погрешности – равномерный в пределах –Т0..0.
Результирующая предельная погрешность Δtm=±T0 ; относительная результирующая предельная погрешность:

Закон распределения результирующей погрешности определяется как композиция законов распределения двух указанных составляющих и является распределением Симпсона (треугольным) в пределах -Т0..+Т0. Среднеквадратическое отклонение и систематическая составляющая результирующей погрешности соответственно равны:

Предельные значения и среднеквадратическое отклонение результирующей погрешности снижаются синхронизацией стартового и квантующего импульсов со сдвигом T0/2, т.е. путем расположения стартового импульса в середине между двумя соседними квантующими импульсами. В этом случае Δt1=T0/2 и
Δt=T0/2 - α2T0 , а предельные значения, среднеквадратическое отклонение и систематическая составляющая результирующей погрешности соответственно равны:

Дополнительные погрешности ЦИП, также как и в аналоговых приборах, возни-кают при изменении внешних факторов (температуры, напряжения и частоты источника питания, действия помех и т. д.).
Внимание! Каждый электронный конспект лекций является интеллектуальной собственностью своего автора и опубликован на сайте исключительно в ознакомительных целях.
